Vibrating Motor
Manufactures and Exporters of Vibrating Motor
We, Mitool India is engaged in manufacturing and providing Unbalance Vibrator Motors which are asynchronous AC Motors with pairs of centrifugal weight fitted to the ends of the motor shafts. These kind of Vibrator Motors are robust, having cylindrical roller Bearings and highly stable under load. End Shield fitted with rubber 0 rings to give dust tight and watertight enclosure. The size of the unbalance and amplitude oscillation by the working unit which can be adjusted by moving the centrifugal weights when the motor is at a standstill.
| Centrifugal force range | : | from 40to 35000 N. |
| Working moment | : | from 1 to 631 kgcm. |
| Suitable for Vibrator units with useful weight range | : | from 1 to 1440 kgs |
| .PowerSupply | : | 415 Volts,3 phase, 50 hz. |
| Rated output | : | 0.1 to 2.3 kw |
| Ambient temperature | : | upto 60°C |
| Type of enclosure | : | IP55 |
| Insulation Class | : | 'F' Class |
• Vibration resistant, high-quality resin impregnated winding.
• Easy to handle and repair.
• Quite running and no maintenance required.
• Durable, reliable and give high performance.
• Robust terminal board, cable wire solid in vibration resistant synthetic resin.
• Coal, Lignite, Salt, Synthetic, Rubber, Fertilizers & Chemicals.
• Well equipped with special profile bearings, high carrying load and increased bearing work.
• Used as drive-unit for Vibrating Machines like Bin-Dischibratory Motorarging, bulk-product conveying (horizontal or vertical both) sizing or course, screening, vibrating feeders, vibrating grizzly feeders, paper jogger, vibrating tables, concrete hoppers, vibrating conveyors, de-watering, compaction, discharge-aid in bins and silos.
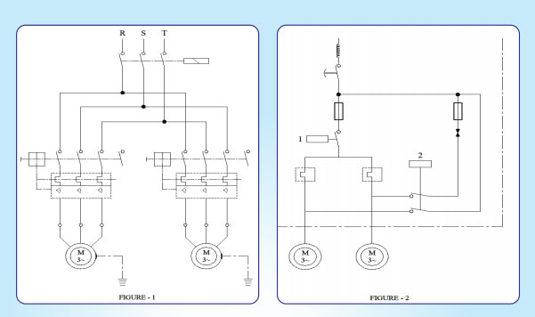
Vibration motors are connected to the three-phase system with flexible copper conductor cable. The connection can be effected as per (fig. 1) in the easiest manner by means of a common contactor which must be interlocked by means of auxiliary contacts. We Mitool India, strongly recommend the use of a circuit breaker wherever two motors are used.
On the other side with the latter connection, considerable oscillation occurs on the disconnection of the equipment due to the fact that resonant frequencies of the support springs will have a comparatively slow run through especially at a time when the trough is empty and the bulk material is absent. A connection of the motors via a broken unit (Fig, 2) with which the motors can be brought to a standstill through d.c. breaking in a period of one to two seconds is recommendable.
As a drive for : Vibrating conveyors, Conveyor troughs and tubes, Conveyor sections,
As a Vibrator for : Silos, Bins, Deflection, grids, Filters, Filling plant, Chutes, Gravity pipes.

